Ürünler
ANASAYFA > Ürünler
LMZJ1-0.5 Akım Trafosu
  • LMZJ1-0.5 Akım TrafosuLMZJ1-0.5 Akım Trafosu
  • LMZJ1-0.5 Akım TrafosuLMZJ1-0.5 Akım Trafosu
  • LMZJ1-0.5 Akım TrafosuLMZJ1-0.5 Akım Trafosu

LMZJ1-0.5 Akım Trafosu

LMZJ1-0.5 Akım Trafosu, Çin'deki profesyonel bir üretici olan Comewill tarafından üretilen, özellikle iç mekan AC devreleri için tasarlanmış, geçiş tipi bir bara cihazıdır. Bu ürün, nominal voltajı ≤ 0,5kV ve frekansı 50Hz olan sistemler için özel olarak tasarlanmıştır. Alçak gerilim güç cihazlarında akım ölçümü, enerji ölçümü ve röle koruması için temel bileşendir ve endüstriyel ve ticari projelerde toplu tedarik için çok uygundur.

Çin'deki profesyonel üretici olarak Comewill, reçine izolasyon döküm teknolojisi kullanılarak geliştirilmiş ve sabit taban plakası kurulum modunu benimseyen özelleştirilmiş LMZJ1-0.5 Akım Transformatörünü sunmak istiyor. Daha iyi operasyonel stabilite ve uzun vadeli dayanıklılıkla, tedarik ortaklarının bakım maliyetlerini temelden azaltır. Çeşitli senaryolarda farklı uygulama ihtiyaçlarını kolayca karşılayan 0,2, 0,5, 0,2 sn ve 0,5 sn'lik çok sayıda yüksek hassasiyetli dişli seçeneği sunar.

Kompakt yapısal tasarım, kurulumu ve dağıtımı daha esnek hale getirir ve üst düzey güvenlik yapılandırmasının ikili desteği ve ultra uzun hizmet ömrü, LMZJ1-0.5 Akım Trafosunu modern alçak gerilim sistem tedarikinde güvenilir bir seçim haline getirir. Bu alçak gerilim transformatörünün mükemmel yüksek sıcaklık direncine ve kirlilik direncine sahip olduğunu ve zorlu ortamlarda bile istikrarlı çalışmayı koruyabildiğini ve her satın alma yatırımının değerini en üst düzeye çıkarabildiğini belirtmekte fayda var.

Ürün Yapısı

LMZJ1-0.5 Akım Transformatörünün çekirdeği, soğuk haddelenmiş yönlendirilmiş silikon çelik levhalardan yapılmış dairesel bir demir çekirdektir - bu hassas sargı tasarımı, manyetik verimliliği en üst düzeye çıkarmanın ve güvenilir çalışmanın temelini oluşturmanın anahtarıdır.
İkincil sargı, tüm çalışma koşullarında tutarlı performans sağlayan ve eşit olmayan çıktı sorunlarını ortadan kaldıran, dikkatle tasarlanmış bir düzenleme olan bu dairesel demir çekirdeğin etrafına eşit şekilde sarılır.
Ortadaki pencere ürünün ortasından geçerek busbarların kusursuz entegrasyonu için tasarlanmıştır; alt kısımdaki sağlam taban ise ürün için daha güvenli ve sağlam bir kurulum noktası sağlayarak kurulumu kolaylaştırır.
Bileşenin tamamı doymamış reçine yalıtım malzemesinden dökülmüştür. Bu sağlam kasa yalnızca dayanıklılığı artırmakla kalmaz, aynı zamanda güvenliği de artırır ve dahili bileşenleri çevresel baskılardan koruyarak transformatörün çeşitli çalışma ortamlarına dayanıklı olmasını sağlar.

Parametre

Elektriksel Parametre Mekanik Parametre
Sıklık 50/60Hz Dava PC/UL94-V0
Nominal Giriş 5A-5000A Bobin PBT
Ölçüm aralığı %5 Giriş-%120 Giriş Çekirdek Silikon çeliği
Nominal Çıkış 1A,5A Yapı Vida
Oran Gerilimi 0,72KV (AC) Çalışma Sıcaklığı -25°C~+75°C
Dielektrik dayanım 3.0KV/1mA/1 dak Çalışma Nemi ≤%85
Yalıtım Direnci DC500V/100MΩ dk. Çıkış Bağlantısı terminal
Modeli Birincil / İkincil Bara Delik Boyutları (mm) Nominal Yük (VA) Doğruluk Sınıfı Nominal Gerilim
LMZJ1-0.5 30 5/5A~300/5A ø=31mm 2,5~5 0,2S 0,5S 0,5 0,72KV(AC)
LMZJ1-0.5 35 5/5A~300/5A ø=35mm 2,5~5 0,2S 0,5S 0,5 0,72KV(AC)
LMZJ1-0.5 40 200/5A~500/5A ø=42mm 5 0,2S 0,5S 0,5 0,72KV(AC)
LMZJ1-0.5 50 400/5A~600/5A ø=56mm 5 0,2S 0,5S 0,5 0,72KV(AC)
LMZJ1-0.5 80 750/5A~1200/5A ø=83mm 10~20 0,2S 0,5S 0,5 0,72KV(AC)
LMZJ1-0,5 100 800/5A~2000/5A ø=102mm 10~30 0,2S 0,5S 0,5 0,72KV(AC)
LMZJ1-0.5 140 2000/5A~4000/5A ø=142mm 15~30 0,2S 0,5S 0,5 0,72KV(AC)
LMZJ1-0.5 180 5000/5A~6000/5A ø=182mm 15~30 0,2S 0,5S 0,5 0,72KV(AC)

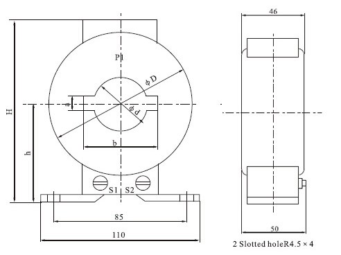
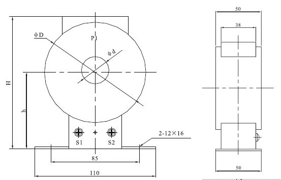
Kurulumun Anahatları ve Boyutları

Tip Cari Oran H h φD φd
LMZ1-0.5 5-300/5 117 68 90 30
Tip Cari Oran H h φD φd a b
LMZJ1-0.5 5-300/5 118 70 91 32 10 41
400-600/5 128 75 97 43 12 52
Tip Cari Oran A1 A2 B h H L1 L2 C b
LMZJ1-0.5 1000/51200/51500/5 172 104 30 80 140 156 123 41 50
2000/53000/5 216 140 42 102 182 175 150 46 70
4000/55000/5 238 150 55 117 220 230 180 60 94
Sıcak Etiketler: LMZJ1-0.5 Akım Trafosu, Çin, Üretici, Tedarikçi, Fabrika, Toptan Satış, Özelleştirilmiş, Stokta, Çin Malı, Düşük Fiyat, Kalite
Talep Gönder
İletişim bilgileri
Şalt donanımı, vakumlu devre kesiciler, akım trafosu için Comewill'e soruşturma gönderin. Çin fabrika ekibimizden özelleştirilmiş teklifler, düşük fiyatlar veya uzman desteği alın.
X
Size daha iyi bir gezinme deneyimi sunmak, site trafiğini analiz etmek ve içeriği kişiselleştirmek için çerezleri kullanıyoruz. Bu siteyi kullanarak çerez kullanımımızı kabul etmiş olursunuz. Gizlilik Politikası
Reddetmek Kabul etmek