Ürünler
ANASAYFA > Ürünler
LXK-120 Sıfır Bileşen Akım Trafosu
  • LXK-120 Sıfır Bileşen Akım TrafosuLXK-120 Sıfır Bileşen Akım Trafosu
  • LXK-120 Sıfır Bileşen Akım TrafosuLXK-120 Sıfır Bileşen Akım Trafosu
  • LXK-120 Sıfır Bileşen Akım TrafosuLXK-120 Sıfır Bileşen Akım Trafosu

LXK-120 Sıfır Bileşen Akım Trafosu

Yüksek kaliteli bir LXK-120 Sıfır Dizili Akım Trafosu, profesyonel Çinli üretici Comewill tarafından özellikle güç sistemi toprak arıza koruması için tasarlanmıştır. Bu iç mekan cihazı, reçine döküm tekniği ve bölünmüş çekirdekli bir yapı kullanarak, baranın sökülmesine gerek kalmadan kurulum için iki yarıya ayrılmasına olanak tanır ve böylece yenileme ve inşaat prosedürlerini büyük ölçüde basitleştirir. 50Hz veya 60Hz sistemlerde kullanıma uygun olup, nötr noktası topraklanmış hatlar için sıfır bileşen röle koruması sağlar.

Güvenilir bir Çin üreticisi ve koruma akım transformatörleri tedarikçisi olan Comewill'den LXK-120 Sıfır Dizili Akım Trafosunu satın alın. 10kV ve altındaki güç sistemleri için tasarlanan bu açık tip sıfır dizili CT, güvenilir koruma performansı için kablo-çekirdek birincil yapıya, 3kV ikincil yalıtım dayanım voltajına ve epoksi reçine dökümüne sahiptir.

Bu ürünü diğerlerinden ayıran şey, kablo-çekirdek birincil devre yapısıdır; bu, yalnızca ikincil bobin yalıtımının dikkate alınması gerektiği anlamına gelir. İkincil bobin, 3kV güç frekansı dayanım voltajına sahiptir ve seri, tümü Welcome (Wenzhou) Electric Co., Ltd. tarafından sıkı kalite standartlarına göre üretilen LXK-φ80, LXK-φ100, LXK-φ120, LXK-φ150 ve LXK-φ180 gibi popüler modelleri içerir.

Welcome (Wenzhou) Electric Co., Ltd.'nin LXK-120 Sıfır Dizili Akım Trafosu, 10kV ve altı, 50Hz güç sistemi hatlarında ve ayrıca yüksek voltajlı üç fazlı AC jeneratörler ve motorlarda aşırı akım koruması için özel olarak tasarlanmıştır ve yalnızca iç mekanda kullanıma yöneliktir. Dış çapı 120 mm'yi aşmayan iletim kablolarıyla uyumludur; LXK-80 ila LXK-160 modellerinin kesin boyutsal ayrıntıları için lütfen teknik ekibimiz tarafından sağlanan teknik parametreler tablosuna bakın.

LXK-120 Sıfır Bileşen Akım Trafosunun Tip Açıklaması

L: Akım trafosu
X: Sıfır dizi
K: Aç-kapa tipi
Φ120: İç deliğin nominal çapı

LXK Açık Tip Sıfır Dizi Akım Trafosunun Teknik Verileri

Welcome (Wenzhou) Electric Co., Ltd.'de tüm ürünlerimiz, GB20840.1-2010 ve GB20840.2-2014 ulusal standartlarının gereksinimlerini karşılamaktadır ve ayrıca tekliflerimizi bireysel müşterilerimizin benzersiz ihtiyaçlarına uyacak şekilde uyarlayabiliyoruz. Ürünlerimizin temel teknik özelliklerinin bir dökümü aşağıda verilmiştir:

Nominal yalıtım: 0,72/3 kV
Nominal frekans: 50Hz/60Hz
Nominal ikincil akım: 5A veya 1A
Çalışma sıcaklığı aralığı: -25°C ~ +40°C

Tip Sınıflar Nominal Akım Oranı (A) Nominal Çıkış (VA)
L XK-80 (80/165*57) 10P5 ~ 10P10 50/575/5100/5150/5200/5250/5300/5400/550/175/1100/1150/1200/1250/1 5 ~ 1
LXK-100 (100/180*55) 10P5 ~ 10P10 5 ~ 1
LXK-100 (100/180*57) 10P5 ~ 10P15 10 ~ 1
LXK-120 (120/204*57) 10P5 ~ 10P15 10 ~ 1
LXK-120 (120/210*65) 10P5 ~ 10P15 10 ~ 2,5
LXK-120 (120/210*100) 10P5 ~ 10P20 15 ~ 2,5
LXK-120 (120/250*80) 10P5 ~ 10P20 15 ~ 1
LXK-150 (150/235*57) 10P5 ~ 10P10 10 ~ 1
LXK-150 (150/280*80) 10P5 ~ 10P20 15 ~ 1
LXK-160 (160/250*80) 10P5 ~ 10P20 5 ~ 1
LXK-180 (180/265*57) 10P5 ~ 10P10 10 ~ 1
LXK-180 (180/310*80) 10P5 ~ 10P20 15 ~ 1
LXK-200 (200/330*80) 10P5 ~ 10P20 15 ~ 1
LXK-240 (240/350*80) 10P5 ~ 10P20 15 ~ 1
LXK-260 (260/370*80) 10P5 ~ 10P20 15 ~ 1,5

Not: Mevcut oran veya kurulum boyutları gibi yukarıdaki aralıkların ötesine geçen spesifikasyonlara ihtiyacınız varsa, Welcome (Wenzhou) Electric Co., Ltd. özelleştirmeleri tartışmaya ve alıcıyla karşılıklı bir anlaşmaya varmaya açıktır.

Yapı özelliği

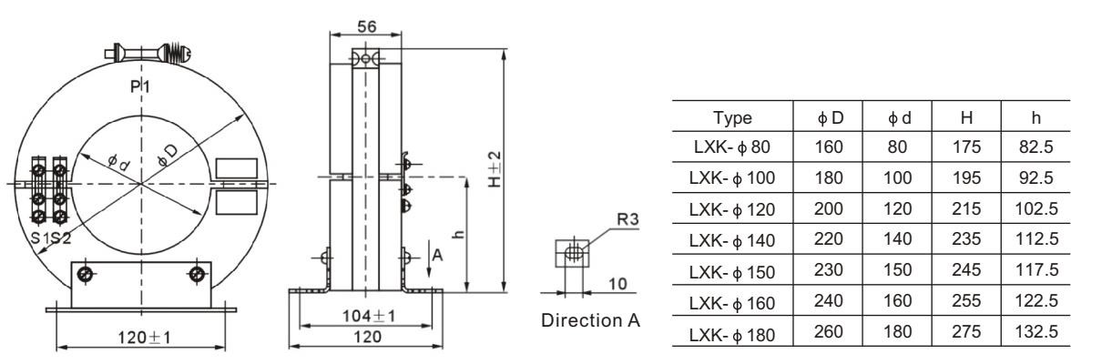
Welcome (Wenzhou) Electric Co., Ltd.'de transformatörlerimiz açık-kapalı bir tasarıma sahiptir ve epoksi reçineden dökülmüştür. Bunları takmaya gelince, önce transformatörü ikiye bölebilir, ardından iki parçayı tek bir ünite olarak tekrar cıvatalayarak tüm kurulum sürecini kolaylaştırabilirsiniz. Bu model, firmamızdan her biri benzersiz iç çapa sahip yedi farklı modelle sunulmaktadır: 80mm, 120mm, 140mm, 150mm, 160mm ve 180mm.

Anahat boyutu

Sıcak Etiketler: LXK-120 Sıfır Dizili Akım Trafosu, Çin, Üretici, Tedarikçi, Fabrika, Toptan Satış, Özelleştirilmiş, Stokta, Çin Malı, Düşük Fiyat, Kalite
Talep Gönder
İletişim bilgileri
Şalt donanımı, vakumlu devre kesiciler, akım trafosu için Comewill'e soruşturma gönderin. Çin fabrika ekibimizden özelleştirilmiş teklifler, düşük fiyatlar veya uzman desteği alın.
X
Size daha iyi bir gezinme deneyimi sunmak, site trafiğini analiz etmek ve içeriği kişiselleştirmek için çerezleri kullanıyoruz. Bu siteyi kullanarak çerez kullanımımızı kabul etmiş olursunuz. Gizlilik Politikası
Reddetmek Kabul etmek