Ürünler
ANASAYFA > Ürünler
GGJ Alçak Gerilim Kombinasyon Hücresi
  • GGJ Alçak Gerilim Kombinasyon HücresiGGJ Alçak Gerilim Kombinasyon Hücresi

GGJ Alçak Gerilim Kombinasyon Hücresi

Çin'deki profesyonel bir üretici olan Welcome (Wenzhou) Electric Co., Ltd. tarafından geliştirilen GGJ Alçak Gerilim Kombinasyon Anahtarlama Cihazı, reaktif gücü akıllıca izlemek ve telafi etmek için bilgisayar destekli tasarıma ve entegre mikrobilgisayar kontrol teknolojisine sahiptir. Rasyonel bir yapıya ve olgun bir teknolojiye sahip olan bu ürün, alçak gerilim enerji şebekelerinde yaygın olarak kullanılmaktadır.

Çin'deki profesyonel bir üretici olarak Comewill fabrikası size, güç faktörünü etkili bir şekilde artıran, reaktif güç kaybını azaltan ve güç kaynağı kalitesini artıran kaliteli GGJ Alçak Gerilim Kombinasyon Anahtarlama Donanımı sunmak istemektedir. Akıllı bir kontrolör tarafından kontrol edilen bu cihaz, güç faktörünü 0,9'un üzerine çıkarabilen otomatik dengelemeyle tam işlevsellik ve güvenilir performans sunar.

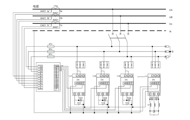
GGJ Alçak Gerilim Kombinasyon Şalt Cihazı, hem gecikmeli (0,00-0,99) hem de önde gelen (0,00-0,99) aralıkları kapsayan, şebeke güç faktörünün gerçek zamanlı görüntülenmesini sağlar. Aşırı gerilime, aşırı harmoniklere, aşırı kompanzasyona, sistem hatalarına, faz kaybına, aşırı yüke ve daha fazlasına karşı kapsamlı koruma fonksiyonlarıyla donatılmıştır. Elektrik kesintileri sırasında bile ayarlanan parametreleri korur ve şebeke stabil hale geldiğinde otomatik olarak çalışmaya devam eder; sahada personel gerektirmez.

Şebeke yük dengesini temel alan GGJ Alçak Gerilim Kombinasyon Şalt Cihazı, faz-faz kompanzasyon veya karışık kompanzasyon modlarını destekler. Güçlü anti-parazit özelliğiyle, doğrudan şebekeden gelen 2000V genlikli girişim darbelerine dayanarak ulusal endüstri standartlarını aşar. Cihaz, her saat başı üç fazlı gerilim, akım, frekans, aktif güç, reaktif güç, güç faktörü, aktif enerji, transformatörün alçak gerilim tarafındaki reaktif enerjinin yanı sıra toplam gerilim/akım bozulma oranlarını ve 2. ila 25. harmonik içeriğini ölçerek kaydeder. RS-232 ve RS-485 arayüzleriyle donatılmış olup, el bilgisayarları aracılığıyla veri aktarımına olanak sağlar.

Uzaktan iletişim sayesinde kablosuz sayaç okuma, cihaz testi, parametre konfigürasyonu ve gerçek zamanlı ve kayıtlı verilere erişim sağlar. Yerleşik veri analizi işlevi, operasyonel yük verilerinin işlenmesini, istatistiklerini ve sorgulanmasını destekler. Gerilim yeterlilik oranı, yük oranı, güvenilirlik oranı ve maksimum yük oranını hesaplayarak güç kaynağı kalitesini kapsamlı bir şekilde değerlendirir. Kullanıcılar farklı zaman dilimleri için güç faktörünü, aktif gücü ve reaktif gücü kontrol edebilir, faz voltajı, akım, güç faktörü vb. için eğriler oluşturabilir ve kapsamlı analiz ve istatistiksel raporlar yazdırabilir.

Standartları uygulayın

IEC439:《Alçak gerilim Şalt ve kontrol ekipmanı》
GB7251: 《Alçak Gerilim Şalt Cihazı》

Tip açıklaması

Normal servis durumu

1. Ortam hava sıcaklığı +40°C'nin üzerine veya -5°C'nin altına düşmemelidir ve 24 saatlik ortalama sıcaklık +35°C'yi aşamaz. Bu sıcaklık sınırları aşılırsa, gerçek koşullara göre cihazın çalışma kapasitesini azaltmanız gerekecektir.
2.Bu GGJ Alçak Gerilim Kombinasyon Şalt Cihazı yalnızca iç mekan kullanımı için tasarlanmıştır ve kurulum alanının rakımı 2000 metreyi geçmemelidir.
3. Maksimum sıcaklık +40°C'ye ulaştığında ortam havasının bağıl nemi %50'nin altında kalmalıdır. Daha düşük sıcaklıklarda daha yüksek nem kabul edilebilir; örneğin +20°C'de %90. Ayrıca sıcaklık dalgalanmaları nedeniyle ara sıra oluşabilecek yoğuşmayı da hesaba katmalısınız.
4. Kurulum sırasında cihazın dikey düzlemdeki eğimi 5°'den fazla olamaz ve kabin sırasının tamamı nispeten aynı seviyede olmalıdır. Cihazın şiddetli titreşim ve darbelerden uzak, elektrikli bileşenlerin aşırı korozyona maruz kalmayacağı bir yere kurulması önemlidir.

Dolap genişliği (A) Dolap derinliği (B) Montaj deliği aralığı (a) Montaj deliği aralığı (b)
800 500 685 385
600 800 485 685
600 1000 485 885
800 800 685 685
800 1000 685 885
1000 800 885 685
1000 1000 885 885
Öğe Parametreler
Nominal Yalıtım Gerilimi (V) 660
Nominal Çalışma Gerilimi (V) 380/660
Yardımcı Devre Anma Gerilimi (V) klima 220/380
DC 110/220
Çalışma Frekansı (Hz) 50-60
Nominal akım (A) Yatay Bara <3150
Dikey Bara 630/800
Anma Kısa süreli dayanım Akımı Orta hat (kA/1 sn) 50
Bara (kA/1 s) 30
Nominal Tepe akımı (kA/0,1 sn) 105/50
Fonksiyonel Ünite Kesme Kapasitesi (kA) 50 (etkin değer)
Kabin Koruma Derecesi IP40
Bara Üç fazlı dört telli sistem, üç fazlı beş telli sistem
Çalışma Modu Yerinde, mesafeli ve otomatik

Kuvvet

1.Tedarik hususları için: Welcome (Wenzhou) Electric Co., Ltd.'nin GGJ Alçak Gerilim Kombinasyon Şalt Cihazı, kabinin hem üstünde hem de altında birden fazla havalandırma yuvasıyla birlikte gelir. Bu tasarım, kapalı kabin içinde aşağıdan yukarıya doğru doğal bir hava akışı oluşturarak, güvenilir çalışma için ısı dağıtımı zorluklarını etkili bir şekilde ele alır.
2.Şalterin elektrikli bileşenlerle donatılmış gösterge kapısı ve dahili montaj parçaları, her zaman tutarlı topraklama sürekliliği sağlayan eksiksiz bir topraklama koruma devresi oluşturur.
3. Ana baraları, yüksek mukavemetli doymamış polyester DMC/SMC malzemelerden hazırlanmış AMJ tipi bara kelepçeleriyle eşleştirilmiş olarak kabinin üst arka kısmına konumlandırıyoruz. Bu kelepçeler olağanüstü mekanik dayanıklılık ve izolasyon performansı sağlarken çıkarılabilir kabin üst kapağı ana baraların yerinde montajını ve ayarlanmasını kolaylaştırır.
4. Kabin, güçlü yapışma için elektrostatik toz boyaya sahiptir ve tüm iç bileşenler galvanizleme ve pasivasyon işlemlerinden geçer. Bu, şalt cihazının "üç geçirmez" özelliklerini geliştirir: neme dayanıklılık, toza dayanıklılık ve korozyon direnci, çeşitli ortamlarda servis ömrünü uzatır.
5. Farklı proje ihtiyaçlarını karşılamak için GGJ Alçak Gerilim Kombinasyon Şalt Cihazı, birden fazla kablo giriş seçeneğini (üstten giriş, alt giriş ve arka giriş) destekler ve satın alma projeleri için esnek kurulum sunar.

Sipariş talimatları

◇ Ana devre şeması;
◇ Tazminat kapasitesi ve telafi yöntemi;
◇ Ürünün normal çalışma koşullarına uymuyorsa önceden belirtilmelidir.


Sıcak Etiketler: GGJ Alçak Gerilim Kombinasyon Şalt Cihazı, Çin, Üretici, Tedarikçi, Fabrika, Toptan Satış, Özelleştirilmiş, Stokta, Çin Malı, Düşük Fiyat, Kalite
Talep Gönder
İletişim bilgileri
Şalt donanımı, vakumlu devre kesiciler, akım trafosu için Comewill'e soruşturma gönderin. Çin fabrika ekibimizden özelleştirilmiş teklifler, düşük fiyatlar veya uzman desteği alın.
X
Size daha iyi bir gezinme deneyimi sunmak, site trafiğini analiz etmek ve içeriği kişiselleştirmek için çerezleri kullanıyoruz. Bu siteyi kullanarak çerez kullanımımızı kabul etmiş olursunuz. Gizlilik Politikası
Reddetmek Kabul etmek